Lompat ke konten Lompat ke sidebar Lompat ke footer

C5198 Transistor Datasheet Pdf - Pmp4443 Reference Design Ti Com / Jfet transistor n−channel features • these devices are pb−free, halogen free/bfr free and are rohs compliant maximum ratings rating symbol value unit drain−source voltage vds 25 vdc gate−source voltage vgs 25 vdc gate current ig 10 madc stresses exceeding those listed in the maximum ratings table may damage the device.

c5198 silicon npn transistor components datasheet pdf data sheet free from datasheet4u.com datasheet (data sheet) search for integrated circuits (ic), semiconductors and other electronic components such as resistors, capacitors, transistors and diodes. Fully rohs compliant (notes 1 & A3, may 2002 ss9014 npn epitaxial silicon transistor absolute maximum ratings ta=25°c unless otherwise noted electrical characteristics ta=25°c unless otherwise noted hfe classification symbol parameter ratings units Low noise transistors npn silicon features • these are pb−free devices* maximum ratings rating symbol value unit collector−emitter voltage bc549c bc550c vceo 30 45 vdc collector−base voltage bc549c bc550c vcbo 30 50 vdc emitter−base voltage vebo 5.0 vdc collector current − continuous ic 100 vdc total device dissipation @ ta = 25°c. transistor a1941 c5198 original a 1941 c 5198.

©2002 fairchild semiconductor corporation rev. 150 Watt Amplifier Circuit
150 Watt Amplifier Circuit from www.circuitstoday.com
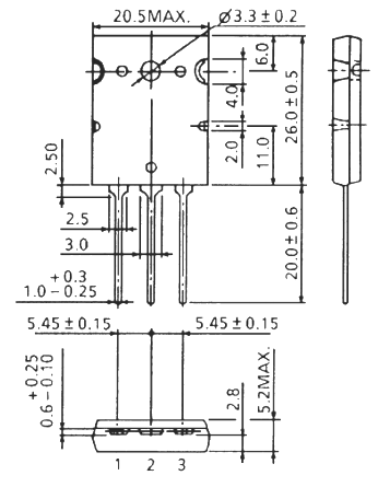
Pinning pin description 1 emitter 2 base 3 collector, connected to case Ordering information symbol parameter conditions type min. I.e., the transistor must not be subjected to greater dissipation than the curves indicate. Continental device india limitedan iso/ts 16949, iso 9001 and iso 14001 certified companynpn silicon power transistor cd83to126 plastic packageeeccbbabsolute maximum ratings (ta=25c )description symbol unitsvaluecollector base voltage vcbo v60collector emitter voltage vceo20 vemitter base voltage vebo 6.0 viccollector current 5.0 apeak. Nxp semiconductors product data sheet npn switching transistor pmbt4401 data sheet status notes 1. Safe operating area curves indicate ic − vce limits of the transistor that must be observed for reliable operation; Continuous collector current (i c) is 100ma. Tip31c absolute maximim ratings 3/10 1 absolute maximim ratings table 1.

Welcome to electronic components datasheet pdf search and download, one of the most visited datasheet search website.

transistor ksa992 features • audio frequency low−noise amplifier • complement to ksc1845 • these are pb−free devices maximum ratings (values are at ta = 25°c unless otherwise noted.) symbol parameter value unit vcbo collector−base voltage −120 v vceo collector−emitter voltage −120 v vebo emitter−base voltage −5 v ic. 900,000+ datasheet pdf search and download datasheet4u offers most rated semiconductors data sheet pdf: Persamaan transistor amplifier 8 november 2012 (15,149) merakit amplifier 3 may 2012 (14,641) psu lcd sharp aquos pakai gacun 16 september 2014. Ordering information symbol parameter conditions type min. Persamaan transistor c5198 ampli toa mesjid cara memperbaiki ampli toa tidak ada suara. Legal information 12.1 data sheet status 1 please consult the most recently issued document before initiating or completing a design. High power npn epitaxial planar bipolar transistor author: Pulse width ≤ 300μs, duty cycle ≤ 2.0%. transistors, have included on the chip, current limiting, power limiting, and thermal overload protection making them virtually impossible to destroy from any type of overload. ©2002 fairchild semiconductor corporation rev. Complete technical details can be found at the bc547 datasheet given at the end of this page. 2n2222a features •high current (max. Signal technologies npn general purpose amplifier bc547 bc547a bc547b bc547c this device is designed for use as general purpose amplifiers

Jfet transistor n−channel features • these devices are pb−free, halogen free/bfr free and are rohs compliant maximum ratings rating symbol value unit drain−source voltage vds 25 vdc gate−source voltage vgs 25 vdc gate current ig 10 madc stresses exceeding those listed in the maximum ratings table may damage the device. 2 the term 'short data sheet' is explained in section "definitions". 2n2222 low power bipolar transistors page 2 06/04/06 v1.0 absolute maximum ratings (ta = 25°c unless specified otherwise) description symbol 2n2222 unit collector emitter voltage vceo 30 collector base voltage cbo 60v emitter base voltage vebo 5 collector current continuous ic 800 ma power dissipation at ta = 25°c derate above 25°c Continuous collector current (i c) is 100ma. This is a kind of semiconductor, npn silicon transistor.

2 the term 'short data sheet' is explained in section "definitions". 200w Transistor Audio Amplifier Circuit
200w Transistor Audio Amplifier Circuit from www.electroschematics.com
1n 2n 2sa 2sc 74 ad ba bc bd bf bu cxa hcf irf ka kia la lm mc ne st stk tda tl ua lm317 lm339 max232 ne555 lm324 8051 7805. This is a kind of semiconductor, npn silicon transistor. Nxp semiconductors product data sheet npn switching transistor pmbt4401 data sheet status notes 1. B, may 2004 2n5401 pnp epitaxial silicon transistor absolute maximum ratings ta=25°c unless otherwise noted electrical characteristics ta=25°c unless otherwise noted * pulse test: ©2004 fairchild semiconductor corporation rev. (check out the tea2025 datasheet for more information on that) on the input side, you should use a dual potentiometer. We have 9 images about persamaan transistor c5198 including images, pictures photographs wallpapers, and more. This is a kind of npn transistor.

General purpose transistor page <1>

The amplifier circuit diagram shows a 2.5w * 2 stereo amplifier. Average junction temperature and second breakdown. 2n2222 low power bipolar transistors page 2 06/04/06 v1.0 absolute maximum ratings (ta = 25°c unless specified otherwise) description symbol 2n2222 unit collector emitter voltage vceo 30 collector base voltage cbo 60v emitter base voltage vebo 5 collector current continuous ic 800 ma power dissipation at ta = 25°c derate above 25°c 06 — 2 march 2010 9 of 11 nexperia pmbt3906 pnp switching transistor 12. The resulting transistors show exceptional high gain Safe operating area curves indicate ic − vce limits of the transistor that must be observed for reliable operation; transistor a1941 c5198 original a 1941 c 5198. It is complementary to the pnp type a733. High power npn epitaxial planar bipolar transistor author: Jfet transistor n−channel features • these devices are pb−free, halogen free/bfr free and are rohs compliant maximum ratings rating symbol value unit drain−source voltage vds 25 vdc gate−source voltage vgs 25 vdc gate current ig 10 madc stresses exceeding those listed in the maximum ratings table may damage the device. Dc current gain (h fe) is 800 maximum. transistors npn silicon features • pb−free packages are available* maximum ratings rating symbol value unit collector − emitter voltage vceo 40 vdc collector − base voltage vcbo 60 vdc emitter − base voltage vebo 6.0 vdc collector current − continuous ic 600 madc total device dissipation @ ta = 25°c derate above 25°c pd 625 5.0 mw. In addition, easy to use on mobile than.

1n 2n 2sa 2sc 74 ad ba bc bd bf bu cxa hcf irf ka kia la lm mc ne st stk tda tl ua lm317 lm339 max232 ne555 lm324 8051 7805. transistor ksa992 features • audio frequency low−noise amplifier • complement to ksc1845 • these are pb−free devices maximum ratings (values are at ta = 25°c unless otherwise noted.) symbol parameter value unit vcbo collector−base voltage −120 v vceo collector−emitter voltage −120 v vebo emitter−base voltage −5 v ic. You can replace the 2sc5198 with the 2sc2581,. Check spelling or type a new. c5198 silicon npn transistor components datasheet pdf data sheet free from datasheet4u.com datasheet (data sheet) search for integrated circuits (ic), semiconductors and other electronic components such as resistors, capacitors, transistors and diodes.

Please consult the most recently issued document before initiating or completing a design. Transistor Amplifier Circuit Using A1941 And C5198 How To Make Transistor Amplifier Electronics Youtube
Transistor Amplifier Circuit Using A1941 And C5198 How To Make Transistor Amplifier Electronics Youtube from i.ytimg.com
(top view) 21drain figure 1. The amplifier circuit diagram shows a 2.5w * 2 stereo amplifier. Complete technical details can be found at the bc547 datasheet given at the end of this page. 900,000+ datasheet pdf search and download datasheet4u offers most rated semiconductors data sheet pdf: Low noise transistors npn silicon features • these are pb−free devices* maximum ratings rating symbol value unit collector−emitter voltage bc549c bc550c vceo 30 45 vdc collector−base voltage bc549c bc550c vcbo 30 50 vdc emitter−base voltage vebo 5.0 vdc collector current − continuous ic 100 vdc total device dissipation @ ta = 25°c. Technical literature, 018729, product development, specification, datasheet, 2sd1047 created date: Bc547 / bc547a / bc547b / bc547c discrete power & Jfet transistor n−channel features • these devices are pb−free, halogen free/bfr free and are rohs compliant maximum ratings rating symbol value unit drain−source voltage vds 25 vdc gate−source voltage vgs 25 vdc gate current ig 10 madc stresses exceeding those listed in the maximum ratings table may damage the device.

Replacement and equivalent for 2sc5198.

High power npn epitaxial planar bipolar transistor author: This is a kind of npn transistor. (top view) 21drain figure 1. 300v ideal for medium power amplification and switching complementary pnp type: The 2sa1941 is a complementary pnp transistor for the 2sc5198. Finding the datasheet is as easy as a few clicks of your mouse. transistor ksa992 features • audio frequency low−noise amplifier • complement to ksc1845 • these are pb−free devices maximum ratings (values are at ta = 25°c unless otherwise noted.) symbol parameter value unit vcbo collector−base voltage −120 v vceo collector−emitter voltage −120 v vebo emitter−base voltage −5 v ic. C945 is an npn silicon planar epitaxial transistor designed for audio frequency amplifier. Nxp semiconductors product data sheet npn switching transistor pmbt4401 data sheet status notes 1. A3, may 2002 ss9014 npn epitaxial silicon transistor absolute maximum ratings ta=25°c unless otherwise noted electrical characteristics ta=25°c unless otherwise noted hfe classification symbol parameter ratings units c5198 transistor datasheet pdf, c5198 equivalent. The product status of device(s) described in this document may have changed since this document was published and may differ in case of multiple devices. 2) halogen and antimony free.

C5198 Transistor Datasheet Pdf - Pmp4443 Reference Design Ti Com / Jfet transistor n−channel features • these devices are pb−free, halogen free/bfr free and are rohs compliant maximum ratings rating symbol value unit drain−source voltage vds 25 vdc gate−source voltage vgs 25 vdc gate current ig 10 madc stresses exceeding those listed in the maximum ratings table may damage the device.. Persamaan transistor amplifier 8 november 2012 (15,149) merakit amplifier 3 may 2012 (14,641) psu lcd sharp aquos pakai gacun 16 september 2014. Emitter base voltage (v be) is 6v. In addition, easy to use on mobile than. 2 the term 'short data sheet' is explained in section "definitions". Welcome to electronic components datasheet pdf search and download, one of the most visited datasheet search website.

Posting Komentar untuk "C5198 Transistor Datasheet Pdf - Pmp4443 Reference Design Ti Com / Jfet transistor n−channel features • these devices are pb−free, halogen free/bfr free and are rohs compliant maximum ratings rating symbol value unit drain−source voltage vds 25 vdc gate−source voltage vgs 25 vdc gate current ig 10 madc stresses exceeding those listed in the maximum ratings table may damage the device."